WilliamHill中文官方网站
股票代码:
603299
网站首页
走进WilliamHill中文官方网站
WilliamHill中文官方网站简介
向导班子
声誉资质
公司大事记
主要单位
投资者关系
公司通告
证券信息
新闻中心
WilliamHill中文官方网站新闻
综合新闻
通知通告
招聘信息
通知通告
产品先容
食用盐
工业盐
纯碱
元明粉
氯化钙
其他
管理之窗
专项管理
下层动态
培训园地
党群事情
党务信息
工团信息
企业文化
焦点理念
盐的文化
镜像苏盐WilliamHill中文官方网站
企业风范
员工天地
文明单位建设
采购信息
English
通知通告
招聘信息
通知通告
通知通告
目今位置:首页 > 通知通告 > 通知通告
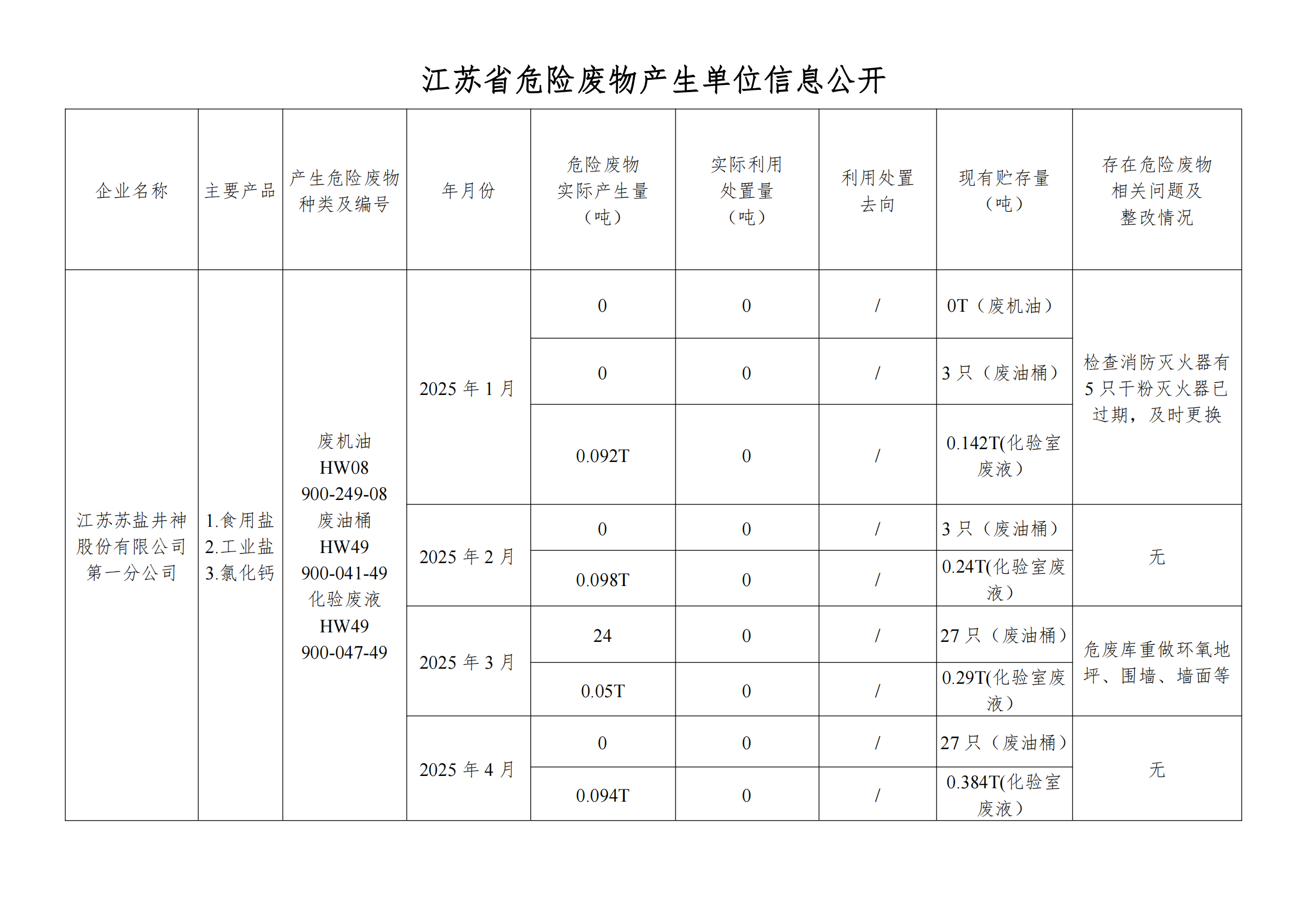
2025年4月份江苏省危险废物爆发单位信息果真
信息泉源: 宣布时间:2025-05-09 浏览:17586 次
【返回上一页】
网站地图